Adders

  • n-bit adder can be built as a cascade of full adders
    • While fully implementing the truth table as SOP would be faster with propagation delay, it would be to expensive to build because of the number of gates (because it would grow exponentially)

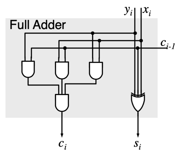
Full Adder

  • The 1-bit adder is called a full adder
  • Logic functions
  • Implementation

Ripple Carry Adder

  • Cascade of full bit adders
  • Cost
    • Hardware: gates (very cheap)
    • Delay: (very slow)
  • Has the highest delay

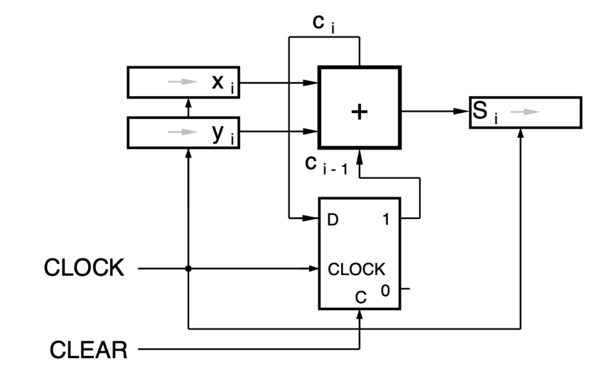
Sequential Adder (Bit-Serial)

  • Single full adder is used
    • Addition is done stepwise
    • The carry is saved in a flip flop
    • Parallel to serial converter is needed at the inputs
    • Serial to parallel converter at the output
  • Cost
    • Hardware: constant
    • Delay:

Carry-Lookahead Adder

  • Allows us to speed up the slow carry signal
  • Introduces two help functions
    • : generate carry
      • if then a a carry will be generated in position regardless of
    • : propagate carry
      • if then will be propagated. otherwise, the carry will be absorbed
  • Equations
  • Cost
    • Hardware:
      • This grows polynomially which is acceptable (compared to the exponential brute force option)
    • Delay:

Comparison

Ripple CarryCarry Lookahead2-Level Logic
Hardware (in num gates)
Delay (in )

Combinational Adder

  • Adder for large bit width
    • Carry lookahead adders are expensive for large
    • Instead you can connect multiple smaller carry lookahead adders together
    • Ex: 12 bit adder as 3 4-bit carry lookahead adders

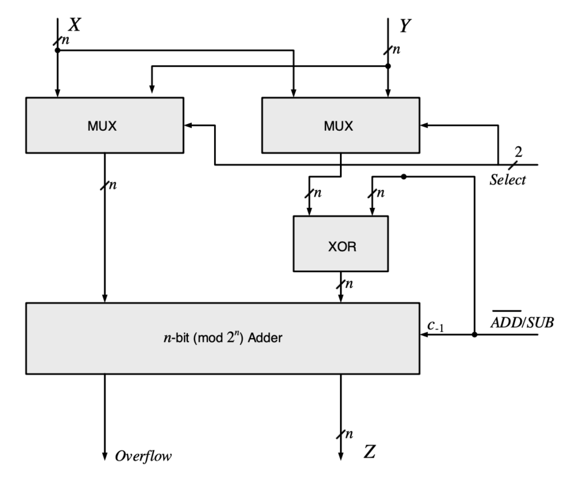
Subtractors

  • Built the same way as adders
  • 1-bit full subtractor exists but often two’s complement addition is just used instead
    • XOR allows for the second operand to be optionally negated (need to negate when subtracting)
    • is set to 1 when subtracting to convert the 1’s complement calculated by the XOR into a 2’s complement