Random Access Memory (RAM)

  • Takes the same amount of time to access regardless where it is stored in memory
  • As opposed to magnetic tapes used in earlier computer where the further along, the longer it took

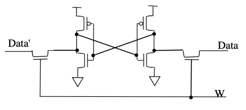
Static RAM (SRAM)

  • Integrated circuits that are memory arrays with (usually) a single access port that can be used to read or a write
  • Data is stored in flip flops (holds data as long as power is surprised)
  • Requires 6 transistors
  • Fixed access time to any datum, though differing read and write speeds
  • Cannot be built the same way we build Register File because the scale is beyond that of multiplexers so it outputs the stored values encoded using three-state buffers

Dynamic RAM (DRAM)

  • Data is stored as charges in a capacitor
  • Accessed (read or write) using a single transistor
  • Much cheaper and denser than SRAMs
  • Slower to access than SRAM
  • Dynamic = Must be periodically refreshed
    • Because the charge in the capacitor will fade
    • Most of the time done by reading and then rewriting a row at a time
    • Modern DRAM does that on it’s own
  • Uses a two level decoder with row access and column access
    • Moves a row into a buffer and then accesses the column from there
    • If multiple reads from a single row happens, it does not need to pull it out every single time
    • That optimizes things because you are most likely to access sequential data

Synchronous RAMs

  • Both SSRAMs and SDRAMs exist
  • Able to read contiguous memory very quickly